Toggle navigation
首頁
最新消息
關於我們
服務項目
計畫案專區
知識專區
成果分享區
聯絡我們
計畫案專區
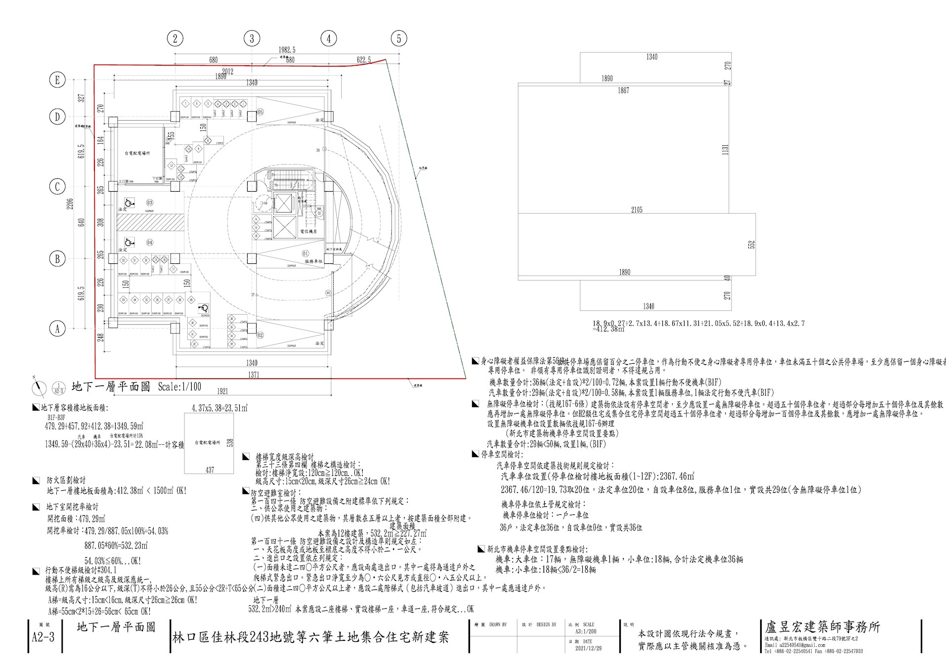
新北市林口區佳林段243地號等6筆土地都更案
新北市林口區佳林段243地號等6筆土地都市更新-整體建築規劃設計
地下1-3
地上1-12
分享到
撥打電話
加入好友
為提供您最佳個人化且即時的服務,本網站透過使用"Cookies"記錄與存取您的瀏覽使用訊息。當您使用本網站,即表示您同意Cookies技術支援。
Cookie Policy
接受並關閉